您当前的位置:成果库 > 一种用于电力保护的直流断路器结构
基本信息
- 成果类型 高等院校
- 委托机构 西安电子科技大学
- 成果持有方 西安电子科技大学
- 行业领域 电子元器件
- 项目名称 一种用于电力保护的直流断路器结构
- 知识产权 发明专利
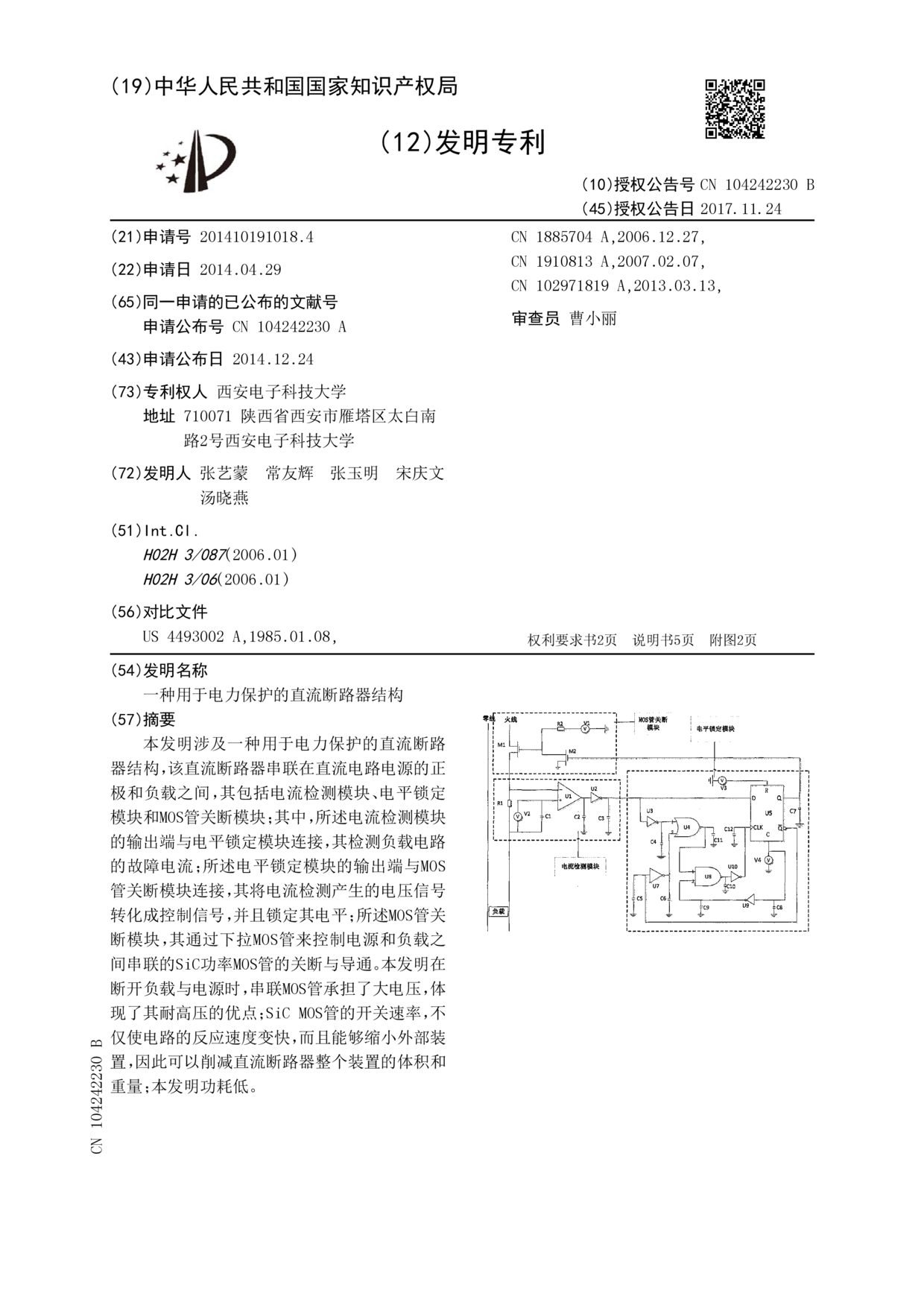
- 项目简介 本发明涉及一种用于电力保护的直流断路器结构,该直流断路器串联在直流电路电源的正极和负载之间,其包括电流检测模块、电平锁定模块和MOS管关断模块;其中,所述电流检测模块的输出端与电平锁定模块连接,其检测负载电路的故障电流;所述电平锁定模块的输出端与MOS管关断模块连接,其将电流检测产生的电压信号转化成控制信号,并且锁定其电平;所述MOS管关断模块,其通过下拉MOS管来控制电源和负载之间串联的SiC功率MOS管的关断与导通。本发明在断开负载与电源时,串联MOS管承担了大电压,体现了其耐高压的优点;SiC?MOS管的开关速率,不仅使电路的反应速度变快,而且能够缩小外部装置,因此可以削减直流断路器整个装置的体积和重量;本发明功耗低。
-
交易信息
- 意向交易额 面议
- 挂牌时间 2017/11/24
- 委托机构 西安电子科技大学
- 联系人姓名 王小刚
- 联系人电话 15802954800
- 联系人邮箱 745490733@qq.com
- 分享至:


421
2018/08/27
咨询成果
发布成果